

基本構造
製品中心部に配置された混合ノズルにより、主管を流れる流体に混合流体を細分化しながら直接吹込み分散混合。
混合流体を細分化することで接触面積が増え、混合効果を促進させます。
(スチームトラップから排出されるドレンを還水ラインへ回収混合するのを目的とする製品を、別途インラインドレンミキサーとして製作しています。)
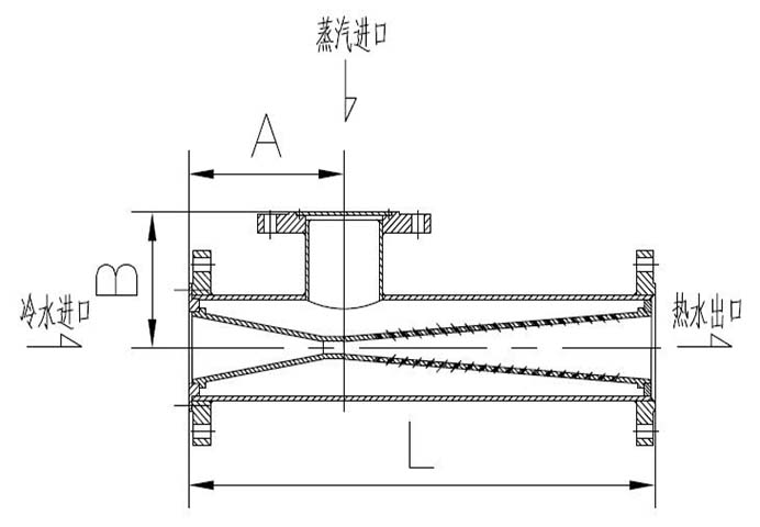
吉田工业南通工厂生产的混合器内部由喷嘴,主管及足够的细分通道组成,物料通过设备内部时,先通过细分流体,增加接触面积来达到增强混合效果的功能。再由细分物料与其它物料进行充分的接触混合,最终达到充分混合的作用。
本混合器特别适用于气体与液体之间的混合,其中大部份适用在蒸汽与水之间的混合,故又名汽水混合器。



仕様表
对于不同型号规格的加热器,在额定流量下,加热不同温度的热水所需蒸汽量可由下式计算: D0=D1C1(T2-T1)/(i''0-C2T2)=D1(qT2-qT1)/(i''-Ct2)
式中:D1—额定流量(t/h) C1—水在t1温度下比热(kJ/kg .℃)
D0—所需蒸汽量(t/h) C2—水在t2温度下比热(kJ/kg .℃)
T2—加热后的水温(℃) T1—进入加热器水温(℃)
i''0—进入加热器在压力P0下的饱和蒸汽热焓(KJ/Kg)


配管案例



